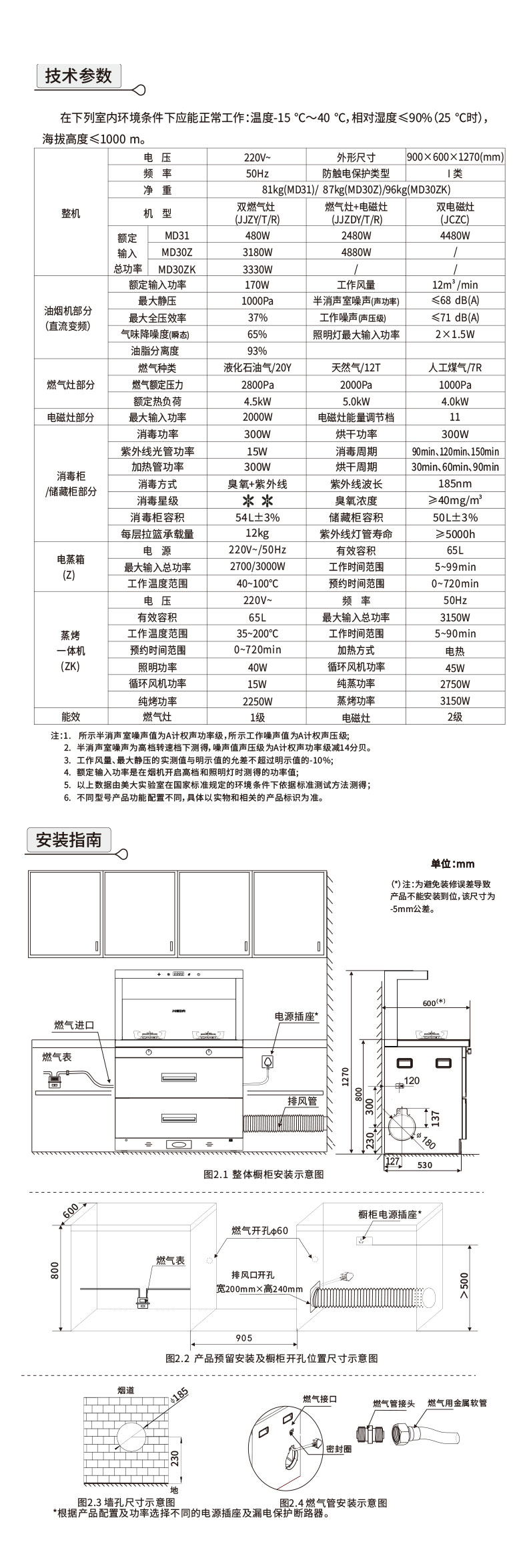
X60 Z ZK技术参数